
ALP智能保護裝置
聯系我們


ALP系列低壓保護器
ALP系列低壓保護器集保護、測量、控制、總線通訊為一體,同時提供了遠程自動控制、現場直接控制、面板指示、信號報警、操作記錄、跳閘報警記錄及開關量記錄等功能。應用范圍:
適用于煤礦、石化、冶煉、電力、船舶、以及民用建筑等領域。訂貨范例:
具體型號:ALP220-5/L低壓線路保護器

低壓PT保護器


● ALP200低壓線路保護器

● ALP220低壓線路保護器

● ALP320低壓線路保護器
主體控制模塊

顯示模塊

● 互感器
1A、5A專用電流互感器

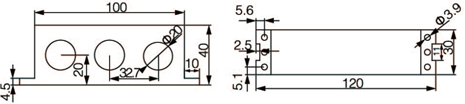
100A及以下專用電流互感器外形尺寸

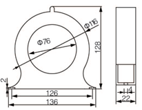
160A電流互感器外形尺寸

400A電流互感器外形尺寸

100A及以下漏電流互感器外形尺寸

160A、400A漏電流互感器外形尺寸

● 低壓PT保護器




工程案例
MORE+