
AKH-0.66系列電流互感器
聯系我們


AKH-0.66系列測量型電流互感器
該系列互感器作為交流電流信號采集元件,可與測量儀表配套使用,一次電流測量范圍5-6300A,二次輸出5A或1A,測量范圍為額定值的5-120%。應用范圍:
低壓配電系統電流采集訂貨范例:
具體型號:AKH-0.66/I 30I 100/5● AKH-0.66Ⅰ型電流互感器
| 規格 | 額定電流比(A) | 準確級及相應額定負荷(VA) | 穿心 匝數 (匝) | 母排規格(mm)/根數 | 電纜最大 外徑(mm) | 安裝方式 | ||
| 0.2級 | 0.5級 | 1級 | ||||||
| 30I | 15/5(1) | 1.5 | 5 | / | Φ22 | A | ||
| 20/5(1) | 1.5 | 4 | ||||||
| 25-30/5(1) | 1.5 | 3 | ||||||
| 40-60/5(1) | 1.5 | 2 | ||||||
| 75-100/5(1) | 1.5 | 1 | 30×10/1 | A,B | ||||
| 150-200/5(1) | 2.5 | 1 | ||||||
| 250/5(1) | 3.75 | 1 | ||||||
| 300-450/5(1) | 5 | 1 | ||||||
| 500/5(1) | 10 | 1 | ||||||
| 600/5(1) | 10 | 1 | ||||||
| 40I | 10/5(1) | 1.5 | 8 | / | Φ30 | A | ||
| 15/5(1) | 1.5 | 5 | ||||||
| 20/5(1) | 1.5 | 4 | ||||||
| 25-30/5(1) | 1.5 | 3 | ||||||
| 40-60/5(1) | 1.5 | 2 | ||||||
| 75/5(1) | 1.5 | 1 | 40×10/1 | A,C | ||||
| 100/5(1) | 1.5 | 1 | ||||||
| 150/5(1) | 2.5 | 1 | ||||||
| 200/5(1) | 2.5 | 1 | ||||||
| 250/5(1) | 3.75 | 1 | ||||||
| 300-450/5(1) | 5 | 1 | ||||||
| 500-800/5(1) | 10 | 1 | ||||||
| 1000/5(1) | 10 | 1 | ||||||
| 60I | 150/5(1) | 2.5 | 1 |
60×10/1 60×6/1-2 |
Φ44 | A,C | ||
| 200/5(1) | 2.5 | 1 | ||||||
| 250/5(1) | 3.75 | 1 | ||||||
| 300-450/5(1) | 5 | 1 | ||||||
| 500-800/5(1) | 10 | 1 | ||||||
| 1000-1250/5(1) | 10 | 1 | ||||||
| 1500-2000/5(1) | 20 | 1 | ||||||
| 2500/5(1) | 30 | 1 | ||||||
| 80I | 150/5(1) | 2.5 | 1 | 80×10/1 | Φ50 | A,C | ||
| 200-250/5(1) | 2.5 | 1 | ||||||
| 300-450/5(1) | 5 | 1 | ||||||
| 500-800/5(1) | 10 | 1 | ||||||
| 1000-1250/5(1) | 10 | 1 | ||||||
| 1500-2000/5(1) | 20 | 1 | ||||||
| 2500-3000/5(1) | 30 | 1 | ||||||
● AKH-0.66Ⅱ型電流互感器
| 規格 | 額定電流比(A) | 準確級及相應額定負荷(VA) | 穿心匝數(匝) | 母排規格(mm)/根數 | 安裝方式 | ||
| 0.2級 | 0.5級 | 1級 | |||||
| 30II | 100/5(1) | 1.5 | 1 | 30x10/1-2 | A,C | ||
| 150/5(1) | 1.5 | 1 | |||||
| 200/5(1) | 2.5 | 1 | |||||
| 250/5(1) | 3.75 | 1 | |||||
| 300-450/5(1) | 5 | 1 | |||||
| 500-600/5(1) | 10 | 1 | |||||
| 40II | 100/5(1) | 1.5 | 1 | 40×10/ 1-2 | A,C | ||
| 150/5(1) | 2.5 | 1 | |||||
| 200/5(1) | 2.5 | 1 | |||||
| 250/5(1) | 3.75 | 1 | |||||
| 300-450/5(1) | 5 | 1 | |||||
| 500-800/5(1) | 10 | 1 | |||||
| 1000/5(1) | 10 | 1 | |||||
| 50Ⅱ | 150 | 2.5 | 1 | 50×10/ 1-2 | |||
| 200-250/5(1) | 2.5 | 1 | |||||
| 300-450/5(1) | 5 | 1 | |||||
| 500-800/5(1) | 10 | 1 | |||||
| 1000-1250/5(1) | 10 | 1 | |||||
| 1500/5(1) | 20 | 1 | |||||
| 60Ⅱ | 200-250/5(1) | 2.5 | 1 | 60×10/ 1-2 | C | ||
| 300-450/5(1) | 5 | 1 | |||||
| 500-800/5(1) | 10 | 1 | |||||
| 1000-1250/5(1) | 10 | 1 | |||||
| 1500-2000/5(1) | 20 | 1 | |||||
| 2500/5(1) | 30 | 1 | |||||
| 60×50Ⅱ | 200-250/5(1) | 2.5 | 1 | 60×10/ 1-3 | D | ||
| 300-450/5(1) | 5 | 1 | |||||
| 500-800/5(1) | 10 | 1 | |||||
| 1000-1250/5(1) | 10 | 1 | |||||
| 1500-2000/5(1) | 20 | 1 | |||||
| 2500/5(1) | 30 | 1 | |||||
| 80Ⅱ | 200-250/5(1) | 2.5 | 1 | 80×10/ 1-2 | |||
| 300-450/5(1) | 5 | 1 | |||||
| 500-800/5(1) | 10 | 1 | |||||
| 1000-1250/5(1) | 10 | 1 | |||||
| 1500-2000/5(1) | 20 | 1 | |||||
| 2500-3000/5(1) | 30 | 1 | |||||
| 80×50Ⅱ | 200-250/5(1) | 2.5 | 1 | 80×10/ 1-3 | |||
| 300-450/5(1) | 5 | 1 | |||||
| 500-800/5(1) | 10 | 1 | |||||
| 1000-1250/5(1) | 10 | 1 | |||||
| 1500-2000/5(1) | 20 | 1 | |||||
| 2500-3000/5(1) | 30 | 1 | |||||
| 100Ⅱ | 300-450/5(1) | 5 | 1 | 100×10/ 1-2 | |||
| 500-800/5(1) | 10 | 1 | |||||
| 1000-1250/5(1) | 10 | 1 | |||||
| 1500-2000/5(1) | 20 | 1 | |||||
| 2500-3000/5(1) | 30 | 1 | |||||
| 100×50Ⅱ | 300-450/5(1) | 5 | 1 | 100×10/ 1-3 | |||
| 500-800/5(1) | 10 | 1 | |||||
| 1000-1250/5(1) | 10 | 1 | |||||
| 1500-2000/5(1) | 20 | 1 | |||||
| 2500-3000/5(1) | 30 | 1 | |||||
| 100×80Ⅱ | 600-800/5(1) | 10 | 1 | 100×10/ 1-4 | |||
| 1000-1250/5(1) | 10 | 1 | |||||
| 1500-2000/5(1) | 20 | 1 | |||||
| 2500-4000/5(1) | 30 | 1 | |||||
| 120×50Ⅱ | 500-800/5(1) | 10 | 1 | 120×10/ 1-3 | |||
| 1000-1250/5(1) | 10 | 1 | |||||
| 1500-2000/5(1) | 20 | 1 | |||||
| 2500-5000/5(1) | 30 | 1 | |||||
| 130×50Ⅱ | 600-800/5(1) | 10 | 1 | 125×10/1-3 130×10/1-3 60×10/2-6 | |||
| 1000-1250/5(1) | 10 | 1 | |||||
| 1500-2000/5(1) | 20 | 1 | |||||
| 2500-5000/5(1) | 30 | 1 | |||||
|
120×80Ⅱ 150×50Ⅱ |
1000-1250/5(1) | 10 | 1 | 120×10/ 1-4 | D | ||
| 1500-2000/5(1) | 20 | 1 | |||||
| 2500-5000/5(1) | 30 | 1 | |||||
| 170×100Ⅱ | 1500-2000/5(1) | 15 | 1 | 170×10/1-3 100×10/3-6 | |||
| 2500-5000/5(1) | 30 | 1 | |||||
| 180×50Ⅱ | 1200-2000/5(1) | 10 | 1 | 180×10/1-3 | |||
| 2500-5000/5(1) | 30 | 1 | |||||
|
200×50Ⅱ 220×50Ⅱ 260×50Ⅱ |
1500-2000/5(1) | 20 | 1 | 200×10/1-3 100×10/4-6 | |||
| 2500-5000/5(1) | 30 | 1 | |||||
| 260×100Ⅱ | 1200-1500/5(1) | 10 | 1 | 250×10/2-5 125×10/4-10 | |||
| 1500-2000/5(1) | 20 | 1 | |||||
| 2500-6300/5(1) | 30 | 1 | |||||
● AKH-0.66Ⅲ型電流互感器
| 規格 | 額定電流比(A) | 準確級及相應額定負荷(VA) | 穿心匝數(匝) | 母排規格(mm)/根數 | 安裝方式 | |
| 0.2級 | 0.5級 | |||||
| 60Ⅲ | 200-300/5(1) | 2.5 | 1 | 60×10/ 1-3 | E | |
| 400/5(1) | 5 | 1 | ||||
| 500-800/5(1) | 10 | 1 | ||||
| 1000/5(1) | 10 | 1 | ||||
| 1200-1500/5(1) | 15 | 1 | ||||
| 2000/5(1) | 20 | 1 | ||||
| 2500/5(1) | 30 | 1 | ||||
| 80Ⅲ | 300-400/5(1) | 5 | 1 | 80×10/ 1-3 | ||
| 500-800/5(1) | 10 | 1 | ||||
| 1000/5(1) | 10 | 1 | ||||
| 1200-1500/5(1) | 15 | 1 | ||||
| 2000/5(1) | 20 | 1 | ||||
| 2500-3000/5(1) | 30 | 1 | ||||
| 100Ⅲ | 600-800/5(1) | 10 | 1 | 100×10/ 1-3 | ||
| 1000/5(1) | 10 | 1 | ||||
| 1200-1500/5(1) | 15 | 1 | ||||
| 2000/5(1) | 20 | 1 | ||||
| 2500-5000/5(1) | 30 | 1 | ||||
| 130Ⅲ | 2000/5(1) | 20 | 1 | 130×10/1-3 125×10/1-3 | ||
| 2500-5000/5(1) | 30 | 1 | ||||
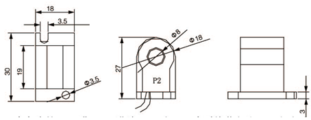
● AKH-0.66 M8型電流互感器

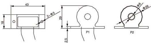
● AKH-0.66 Z型電流互感器
◆ AKH-0.66/Z-10型電流互感器
| 規格 | 額定電 流比 | 準確級 | 穿心 匝數 | 母排規格(mm)/根數 | 電纜最大 外徑(mm) | 安裝方式 |
| 0.2級 | ||||||
| Z-10 | 50A/25mA | 10Ω | 1 | Φ10 | 導軌式 |
◆ AKH-0.66/Z-15型電流互感器
| 規格 | 額定電 流比 | 準確級及相應額定負荷 | 穿心 匝數 | 電纜最大 外徑(mm) |
| 0.2級 | ||||
| Z-15 | 100A/20mA | 10Ω | 1 | Φ15 |
◆ AKH-0.66/Z-20型電流互感器
| 規格 | 額定電流比 | 準確級及相應額定負荷(VA/Ω) | 電纜最大外徑(mm) | |
| 0.5級 | 1級 | |||
| Z-3×Φ20 | 5-100/5A | 1.5VA | Φ20 | |
| 150/5A | 1.5VA | |||
| 200/5A | 2.5VA | |||
| 5-100/1A | 1.5Ω | |||
| 150/1A | 1.5Ω | |||
| 200/1A | 2.5Ω | |||
| 5-200A/50mA | 0.5VA | |||
● AKH-0.66/W系列電流互感器
◆ AKH-0.66/W-7型電流互感器
| 規格 | 額定電流比 | 準確級及相應額定負荷(Ω) | 穿心 匝數 | 電纜最大 外徑(mm) | ||
| 0.2級 | 0.5級 | 1級 | ||||
| W-7 | 5-15/5mA | 10 | 1 | Φ7 | ||
| 10-30/10mA | 10 | 1 | ||||
| 5/20mA | 10 | 2 | ||||
| 10-15/20mA | 10 | 1 | ||||
| 20-60/20mA | 10 | 1 | ||||
◆ AKH-0.66/W-8型電流互感器
| 規格 | 額定電流比 | 準確級及相應額定負荷(Ω) | 穿心 匝數 | 電纜最大 外徑(mm) | ||
| 0.2級 | 0.5級 | 1級 | ||||
| W-8 | 5-15/5mA | 10 | 1 | Φ8 | ||
| 10-30/10mA | 10 | 1 | ||||
| 5/20mA | 10 | 2 | ||||
| 10-15/20mA | 10 | 1 | ||||
| 20-60/20mA | 10 | 1 | ||||
◆ AKH-0.66/W-9N型電流互感器

| 規格 | 額定電流比 | 準確級及相應額定負荷(Ω) | 穿心 匝數 | 電纜最大 外徑(mm) | ||
| 0.2級 | 0.5級 | 1級 | ||||
| W-12 | 5/20mA | 10 | 4 | Φ12 | ||
| 10-15/20mA | 10 | 2 | ||||
| 20/20mA | 10 | 1 | ||||
| 30-100/20mA | 10 | 1 | ||||
◆ AKH-0.66/W-12N型電流互感器

| 規格 | 額定電流比 | 準確級及相應額定負荷(Ω) | 穿心 匝數 | 電纜最大 外徑(mm) | ||
| 0.2級 | 0.5級 | 1級 | ||||
| W-20 | 5/20mA | 10 | 4 | Φ20 | ||
| 10-15/20mA | 10 | 2 | ||||
| 20/20mA | 10 | 1 | ||||
| 30-200/20mA | 10 | 1 | ||||
● AKH-0.66/EMS型電流互感器
| 規格 | 額定電 流比 | 準確級及相應額定負荷(Ω) | 耐壓 | 開路電壓 | 環境溫度℃ | 安裝方式 | ||
| 0.2級 | 0.5級 | 1級 | ||||||
| EMS | 50A/10mA | 10 | 3kV | ≤7.8V | -20℃~70℃ | 導軌 | ||
● AKH-0.66Ⅰ型電流互感器

● AKH-0.66Ⅱ型電流互感器

● AKH-0.66 Ⅲ型電流互感器


● AKH-0.66 M8型電流互感器

● AKH-0.66 Z型電流互感器
◆ AKH-0.66/Z-10型電流互感器

◆ AKH-0.66/Z-15型電流互感器

◆ AKH-0.66/Z-20型電流互感器

● AKH-0.66/W系列電流互感器
◆ AKH-0.66/W-7型電流互感器

◆ AKH-0.66/W-8型電流互感器

◆ AKH-0.66/W-12型電流互感器

◆ AKH-0.66/W-20型電流互感器

● AKH-0.66/EMS型電流互感器



AKH-0.66 II型電流互感器




AKH-0.66 III型電流互感器


AKH-0.66 M8型電流互感器

AKH-0.66 Z型電流互感器

AKH-0.66 W型電流互感器

AKH-0.66 EMS型電流互感器

